Craftsman model 917 drive belt best sale
Craftsman model 917 drive belt best sale, Craftsman LT1000 keeps tearing through deck belts r lawnmowers best sale
$0 today, followed by 3 monthly payments of $12.33, interest free. Read More
Craftsman model 917 drive belt best sale
Craftsman LT1000 keeps tearing through deck belts r lawnmowers
Riding Mower 46 inch Deck Belt CMXGZAM501009 MTD Parts
Deck Belt Replace 144959 Compatible with 42 Deck Craftsman Mower Mower Belt Compatible with Craftsman LT1000 LTX1000 LT2000 917 Tractor Poulan PD185H42ST Riding Mower Hus qvarna Lawn Mower Amazon P...
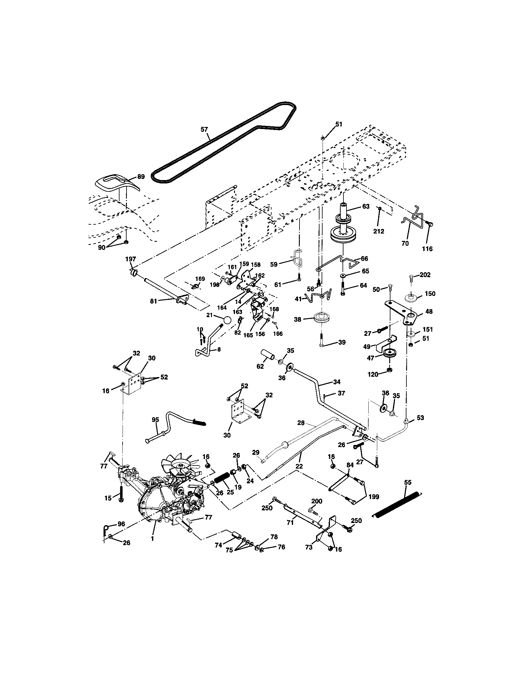
Craftsman Riding Mower Drive Belt Diagram A Step By Step Process
Official Craftsman 917271920 front engine lawn tractor parts Sears PartsDirect
Easy Deck Belt Install on Craftsman 917 series tractor 42 inch deck Gates 6895 Sears 144959 Belt
robertillemann.com
Product Name: Craftsman model 917 drive belt best saleSOLVED sears model 917 276905 drive belt replacement how to Craftsman Riding Mower iFixit best sale, 1997 Craftsman Green 46 6 Speed Model 917.258860 Drive Belt Replaced Issue Tractor Forum best sale, AYP Craftsman 917 255710 Rally Cutter Deck Drive Belt Fits New 38 Deck Models Post 2010 Replaces 429532 best sale, SOLVED belt diagram for model 917253725 sears tractor Craftsman Riding Mower iFixit best sale, 42 In. And 46 In. Transmission Drive Belt CRAFTSMAN best sale, Blade Drive Belt 532429636 Compatible with Craftsman Model 917289223 917.289223 Patio Lawn Garden Amazon best sale, Craftsman Tractor Belt Diagram Best Diagram Collection best sale, 42 In. And 46 In. Transmission Drive Belt CRAFTSMAN best sale, Craftsman Utility Vehicle Drive Belt Replacement best sale, How to Change Replace Main Transmission Drive Belt Craftsman Lawn Mower Tractor Electric Clutch best sale, Craftsman 917 Lawn Mower Deck Belt 144959 AYP Belt 46 best sale, Lawn Mower Drive Belt Craftsman Tractor Parts Model 917 Lawnmower for Engine Component best sale, Craftsman LT1000 keeps tearing through deck belts r lawnmowers best sale, Riding Mower 46 inch Deck Belt CMXGZAM501009 MTD Parts best sale, Deck Belt Replace 144959 Compatible with 42 Deck Craftsman Mower Mower Belt Compatible with Craftsman LT1000 LTX1000 LT2000 917 Tractor Poulan PD185H42ST Riding Mower Hus qvarna Lawn Mower Amazon P... best sale, Craftsman Riding Mower Drive Belt Diagram A Step By Step Process best sale, Official Craftsman 917271920 front engine lawn tractor parts Sears PartsDirect best sale, Easy Deck Belt Install on Craftsman 917 series tractor 42 inch deck Gates 6895 Sears 144959 Belt best sale, Craftsman T1400 Drive belt My Tractor Forum best sale, BELT TRANS DR 0467 CMXGZAM501035 MTD Parts best sale, Drive Belt fits AYP 130969 42 Fits Craftsman YT3000 YT4000 YS4500 eBay best sale, To Replace Mower Drive Belt Mower Drive Belt Removal Mover Drive Belt Installation Craftsman 917.276020 Owner s Manual Page 23 ManualsLib best sale, CRAFTSMAN 11 16 in x 40.9 in Drive Belt for 42 in Riding Mower Tractors Replaces OEM Part Number 954 04208 best sale, 405143 Craftsman Husqvarna Poulan Deck Belt Replacement Belt Length 106 Heavy Duty Durable Aramid Cord Drive Belt for Craftsman 917 Models Husqvarna YTH20K46 YTH2146XP Amazon Patio Lawn Garden best sale, CRAFTSMAN 917.255930 OWNER S MANUAL Pdf Download ManualsLib best sale, Does anyone know what size belt to get for the mowing deck on this craftsman yt3000 model r lawnmowers best sale, 1997 Craftsman Green 46 6 Speed Model 917.258860 Drive Belt Replaced Issue Tractor Forum best sale, Part 2 of 2 ground drive belt replacement for a 42 in deck craftsman mower In future video I ll show a complete deck restoration and cutting belt install 42in craftsman ridingmower belt drive best sale, Craftsman 917. Lawn mower Deck Belt 144959 Genuine Belt 46 best sale, SOLVED sears model 917 276905 drive belt replacement how to Craftsman Riding Mower iFixit best sale, How to replace a ground drive belt on a riding lawn mower Repair guide best sale, How To Replace The Drive Belt On A Sears Craftsman Riding Mower YouTube best sale, CRAFTSMAN Riding Mower Drive Belt Replacement CRAFTSMAN best sale, Lawn Mower Drive Belt Craftsman Tractor Parts Model 917 Lawnmower for Engine Component best sale, 44 Mower Deck Parts List Craftsman 917.255980 Owner s Manual Page 44 ManualsLib best sale.
-
Next Day Delivery by DPD
Find out more
Order by 9pm (excludes Public holidays)
$11.99
-
Express Delivery - 48 Hours
Find out more
Order by 9pm (excludes Public holidays)
$9.99
-
Standard Delivery $6.99 Find out more
Delivered within 3 - 7 days (excludes Public holidays).
-
Store Delivery $6.99 Find out more
Delivered to your chosen store within 3-7 days
Spend over $400 (excluding delivery charge) to get a $20 voucher to spend in-store -
International Delivery Find out more
International Delivery is available for this product. The cost and delivery time depend on the country.
You can now return your online order in a few easy steps. Select your preferred tracked returns service. We have print at home, paperless and collection options available.
You have 28 days to return your order from the date it’s delivered. Exclusions apply.
View our full Returns and Exchanges information.
Our extended Christmas returns policy runs from 28th October until 5th January 2025, all items purchased online during this time can be returned for a full refund.
Find similar items here:
Craftsman model 917 drive belt best sale
- craftsman model 917 drive belt
- cub cadet rzt 50 deck belt
- john deere d130 belt
- craftsman deck belt
- homelite mower
- toro recycler 22 drive belt
- toro lx420 deck belt
- craftsman gt5000 drive belt
- simplicity drive belt replacement
- 95404060c